• 登录

产品简介:NivuCam紧凑型防爆全高清摄像头

防爆型NivuCam全高清摄像头非常适合在易燃气体或粉尘爆炸性环境中,对构筑物和管网等各种过程进行有效的视频监控和过程控制,这是工业应用或水工业领域的典型情况。




1 产品简介


1080p全高清摄像头,3倍变焦,提供H.264/AVC、MJPEG、JPEG和MPEG4格式的多个视频流,具有出色的图像质量。因此,即使在非常困难的条件下,也可以识别场景的每个细节。


摄像机图像(IP摄像机)直接显示在过程可视化中,并通过单击或更改过程值来请求。事件触发的记录以及报告中的后续文档可以像实时监控前哨站一样进行。


外壳完全由不锈钢1.4404(AISI 316 L)制成,完全防腐。

图片


2 特点


产品特点如下:

➤ 高品质,适应特殊应用场景;

➤ 尺寸紧凑;

➤ 全高清分辨率1080p;

➤ 符合ATEX防爆1区和2区的要求;

➤ 包括安装在天花板、墙壁或扶手上的材料;

➤ 安全直接连接到云端。






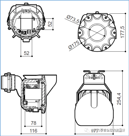
3 外形图


外形图如下,单位为mm。

图片


4 应用场景


防爆型NivuCam全高清摄像头可以用于如下应用场景:

▶ 可以用于施工的目视监控;

▶ 污水管网和泵站的主动图像监控;

▶ 排水管网入流入渗的早期检测;

▶ 用于过程控制的实时图像;

▶ 控制条例的图片文件;






5 产品参数


图片

感谢您关注我们,如果您有业务需求,请与我们取得联系。

铂尔怡@互相关流量计,德国NIVUS(尼沃斯),排水管网流量,非满管流量计,深邃流量测量,多普勒流量计,入流入渗量,污泥界面,夜间最小流量,智慧泵站,管网诊断,铂尔怡

咨询直线:王强:15001808779